2005
УДК 574:575.8
НОВАЯ ПОПУЛЯЦИОННАЯ ПАРАДИГМА:
ПОПУЛЯЦИЯ КАК СИМБИОТИЧЕСКАЯ
САМОУПРАВЛЯЕМАЯ СИСТЕМА
А.Б. Савинов
Нижегородский госуниверситет им. Н.И. Лобачевского
ВЕСТНИК Нижегородского университета им. Н.И. Лобачевского. Серия Биология. Выпуск 1 (9). Материалы VIII Всероссийского популяционного семинара «Популяции в пространстве и времени» (11–15 апреля 2005 г., Нижний Новгород) Нижний Новгород. Издательство Нижегородского госуниверситета. 2005. С. 181-196.
Представление о популяции как одновидовой группировке стало классическим. Однако достижения современной биологии свидетельствуют о том, что для организмов разных систематических групп характерны разнообразные симбиотические взаимоотношения (паразитизм, мутуализм), затрагивающие многие уровни организации (от субклеточного до организменного). Поэтому на основе современных данных о симбиогенезе (в разных группах организмов) и кибернетических положений сформулирована новая популяционная парадигма о популяции как симбиотической самоуправляемой системе «симбионты–хозяева». В соответствии с новой парадигмой каждая особь популяции — аутоценоз, а сама популяция — демоценоз.
Ключевые слова: симбионты, симбиогенез, эволюция, мутуализм, паразитизм, популяция, самоуправляемая система.
В биологии исторически сложилось представление о популяции как о группе фено-генотипически сходных особей одного вида, относительно изолированной (пространственно или биологически) от других подобных групп данного вида и самостоятельно изменяющейся во времени и пространстве.
Например, эколог Ю. Одум (1975) определяет популяцию как группу особей одного вида, обменивающихся генетической информацией и занимающих определенное пространство. Близкое к этому определение популяции приводят М. Бигон и соавторы (Begon et al., 1991). В отечественной биологической (экологической) литературе под популяцией также понимается совокупность особей одного вида, обладающих общим генофондом и занимающих определенную территорию (Биологический…, 1986; Снакин, 2000).
Близки к этим представлениям и определения эволюционистов. Так, например, В. Грант (1991) полагает, что популяция — это репродуктивная и экологическая единица, представляющая совокупность особей определенного вида. Д. Футуюма (Futuyma, 1990) также считает популяцией группу особей одного вида. Отечественные эволюционисты А.В. Яблоков и А.Г. Юсуфов (2004, с. 97) дают такое определение: «Популяция — это минимальная самовоспроизводящаяся группа особей одного вида, на протяжении эволюционно длительного времени населяющая определенное пространство, образующая самостоятельную генетическую систему и формирующая собственную экологическую нишу».
Судя по работам паразитологов, они также придерживаются традиционных взглядов и разграничивают популяцию хозяина и популяции его паразитов (Кеннеди, 1978; Астафьев, Петров, 1992; Краснощеков, 2000; Алексеев, 2001; Мироненко, 2004). Хотя в таких работах высказываются важные положения о том, что «паразитизм — эволюционно необходимая, обязательная для прогрессивного развития животного и растительного мира форма жизни на Земле» (Астафьев, Петров, 1992, с. 173) и развиваются представления о многокомпонентных паразитарных системах (Кеннеди, 1978; Алексеев, 2001).
Таким образом, представление о популяции как одновидовой группировке особей является классическим. Традиционное понятие «популяция» используется во всех экологических, сугубо паразитологических и эволюционных исследованиях несмотря на то, что достижения паразитологии, демэкологии и теории эволюции ярко демонстрируют фактически облигатность явления симбиоза для существования и эволюции биологических видов.
Под симбиозом в данном случае понимаются отношения, традиционно трактуемые как паразитизм, мутуализм, комменсализм и др., складывающиеся между видом-хозяином и его сожителями — видами-симбионтами. В этом контексте эволюция указанных отношений представляет собой симбиогенез — один из основных факторов филогенеза всех групп организмов.
В чем причина сохранения популяционной парадигмы, базирующейся на представлениях о популяции как одновидовой группировке?
По-видимому, это обусловлено несколькими обстоятельствами. Во-первых, очевидно, сказывается свойственная в той или иной мере всем исследователям (разумеется, и автору данной статьи) «методологическая инерция». Во-вторых, сохранению традиционных представлений, несомненно, способствует относительная простота морфологических и иных исследований особей вида-хозяина в сравнении с изучением его симбионтов, которые часто скрыты в теле хозяина, нередко имеют микроскопические размеры и о существовании которых исследователь может и не подозревать (не говоря об их роли в жизнедеятельности хозяина). В-третьих, даже при наличии знаний о роли симбионтов и желания их изучать исследователь нередко вынужден игнорировать эти организмы, поскольку не имеет времени и (или) соответствующей профессиональной подготовки для симбиотических исследований, возможностей кооперации со специалистами в данной области.
Конечно, существующая популяционная парадигма, основывающаяся на абстрактных представлениях о популяции как одновидовой группировке, позволяет удовлетворительно вести демэкологические, паразитологические и микроэволюционные исследования и, видимо, еще длительное время будет использоваться в силу причин, указанных выше. При этом, однако, исследователь должен сознавать, что он пользуется весьма упрощенной моделью. Она не даст возможности всегда рационально объяснить и прогнозировать популяционные явления, обусловленные эффектами симбиотических взаимодействий.
В этой связи сначала проиллюстрируем возникновение подобных ситуаций, а затем попытаемся сформулировать новую популяционную парадигму исходя из представлений о симбиотической природе живых организмов и кибернетических положениях о самоуправляемых (адаптирующихся) системах.
Симбионты как активные, инициирующие агенты оказывают разнообразные воздействия на своих хозяев. Так, на субклеточном и клеточном уровнях это влияние может проявляться во взаимодействии геномов симбионта и хозяина, самого симбионта или его метаболитов с рецепторами мембран клеток хозяина. Например, в естественных условиях взаимодействие почвенных бактерий рода Agrobacterium с клетками корней растений приводит к интеграции части Т-ДНК бактериальных плазмид в геном растительных клеток, следствием чего является морфо-физиологическое преобразование корневой системы. На этом явлении основано получение растений с генетически и морфологически модифицированными корнями, которые способны к интенсивному биосинтезу корнеспецифичных метаболитов, имеющих медицинское значение (Кузовкина и др., 2004). Взаимодействие почвенных азотфиксирующих бактерий с корневой системой растений происходит не только с помощью фимбрий, но и с участием мембранных белков-лектинов, как, например, у Bacillus polymyxa (Карпунина и др., 2003). Биохимическими средствами нападения фитопатогенных микроорганизмов на растения являются: 1) фитотоксины, 2) гормоны роста, 3) ферменты, 4) вещества, закупоривающие сосуды, 5) вещества, воздействующие на накопление первичных метаболитов у растений (Телитченко, Остроумов, 1990). Если фитотоксины подавляют развитие ценопопуляций, то гормоны, выделяемые фитопатогенными грибами, изменяют метаболизм растений, что фенотипически проявляется в быстром росте травянистых форм в длину. Ферменты патогенов разрушают оболочки растительных клеток, модифицируют и разрушают вещества цитозоля. В свою очередь, под влиянием агрессивных микроорганизмов растения вырабатывают разнообразные защитные соединения (Телитченко, Остроумов, 1990; Сотченков, Голденкова, 2003): постингибитины, фитоалексины, PR-белки (pathogenesis-related proteins) и пептиды. Постингибитинами являются такие вещества (например, цианогенные гликозиды, фенолы), которые при воздействии фитопатогенных микроорганизмов на растение модифицируются с помощью специальных растительных ферментов в фунги- и бактериотоксины. Фунгитоксичные хиноны образуются из растительных фенолов с помощью фенолаз после нарушения клеточных мембран патогенами. Синтез фитоалексинов активизируется под действием элиситоров. Образование защитных белков индуцируется или усиливается при атаке растений патогенами. В связи с этим, вслед за М.М. Телитченко и С.А. Остроумовым (1990), можно предполагать, что экологические взаимоотношения растений и патогенов претерпели сложную коэволюцию на молекулярном уровне: растения в процессе эволюции вырабатывали все более активные постингибитины, фитоалексины, PR-белки и пептиды, а также способность к сверхчувствительной диагностике начала инфекции, а патогены — все более эффективные биохимические механизмы противостояния указанным защитным соединениям растений. При этом главными факторами совместимости патогена и растения-хозяина на ранних стадиях их взаимоотношений являются, во-первых, характер адгезионных контактов партнеров и, во-вторых, морфологические особенности первичных инфекционных структур патогена, их изменчивость (Рябченко и др., 2003). Эволюция взаимоотношений фитопатогенных грибов и растений-хозяев привела к тому, что высокоспециализированные биотрофные (прижизненные) грибы-эндобионты существуют за счет обусловливаемых ими модификаций цитолазматической мембраны клеток растения-хозяина в отношении транспорта метаболитов и биосинтеза клеточной стенки (Проценко, 1988). При этом обеспечиваются высокоуравновешенные взаимоотношения грибов (Ascomycetes, Basidiomycetes, Zygomycetes, Oomycetes) и растений-хозяев. Известно, что наряду с микроорганизмами и вирусами эндосимбионтами многих высших растений являются некоторые беспозвоночные животные, в частности отдельные группы нематод, насекомых и клещей. Их деятельность часто обусловливает образование галлов — аномальных разрастаний тканей в разных частях растений (Росс и др., 1985; Биологический…, 1986). При этом растениям через беспозвоночных нередко передаются различные вирусы.
Обитание симбионтов в теле животных также приводит к различным реакциям и морфо-функциональным преобразованиям на клеточном и субклеточном, организменном и популяционном уровнях. Известно, что у многих групп одно- и многоклеточных беспозвоночных внутриклеточными симбионтами являются бактерии (Громов, 1998). У беспозвоночных Metazoa такие бактерии обитают в особых клетках — бактериоцитах (Громов, 1998; Braendle et al., 2003). Из последних состоят особые органы. Например, у погонофор таким жизненно важным органом, обеспечивающим этих животных питательными веществами, является трофосома, у цикад и тлей из бактериоцитов формируются бактериомы (Громов, 1998; Braendle et al., 2003). Не меньшую роль играют и некоторые группы симбиотических одноклеточных простейших. Так, эволюция рифообразующих кораллов, а также мшанок была обусловлена их теснейшими симбиотическими отношениями с автотрофными одноклеточными зооксантеллами (Давиташвили, 1972). В настоящее время такие симбиотические одноклеточные простейшие и симбиотические бактерии регистрируются у многих морских беспозвоночных (Windoffer, Giere, 1997; Kaufman et al., 1998; Engebretson, Muller-Parker, 1999; Schwarz et al., 1999; Fitt, 2000; Farmer et al., 2001), хотя их функции в ряде случаев остаются малоизученными или неизвестными.
Симбиотические взаимоотношения отмечены и у планктонных микроводорослей с ракообразными-фильтраторами. В частности, при массовом развитии цианобактерий в пресноводной экосистеме (до уровня «цветения» воды) факультативно эпибионтная микроводоросль Characidiopsis ellipsoidea переходит к обитанию на поверхности экзоскелетов разных групп рачкового зоопланктона, а облигатный микроводорослевый эпибионт Colacium vesiculosum интенсивно развивается на циклопах (Гаевский и др., 2004). При этом микроводоросли-эпибионты получают возможность активного передвижения в толще воды, получения СО2 и биогенных элементов от рачков. Последние же получают преимущество (перед особями без эпибионтов) вследствие лучшего снабжения кислородом (его дефицит наблюдается при «цветении» воды). Отрицательного воздействия на рачков со стороны эпибионтов не отмечено (по крайней мере, показатель их естественной смертности не коррелировал с показателями обрастания эпибионтами). Высказано предположение о том, что в условиях «цветения» воды эпибионты-микроводоросли могут выступать в качестве активных поглотителей биогенов (аммонийного азота) от рачков-хозяев и тем самым участвовать в регуляции потоков биогенов и напряженности трофической сети (Гаевский и др., 2004).
Большой интерес представляют бактерии-эндосимбионты насекомых. В последнее время активно исследуются бактерии рода Wolbachia — репродуктивные цитоплазматические паразиты, сложно модифицирующие половое размножение многих групп членистоногих. О достижениях в изучении этих эндоцитобионтов подробно говорится в обширном обзоре (Горячева, 2004). Поэтому, используя его, имеет смысл лишь отметить значительные эффекты, к которым приводит жизнедеятельность указанных симбионтов. Наиболее распространенным репродуктивным эффектом, вызываемым вольбахией, является цитоплазматическая несовместимость, при которой в ходе оплодотворения возникают аномалии поведения хромосом спермы с последующей полной или частичной элиминацией мужского хромосомного набора. Если мужские хромосомы элиминируются полностью, зародыш становится гаплоидным. В результате у диплоидных видов гаплоидные зародыши погибают. Это уменьшает численность потомства. Такое явление цитоплазматической несовместимости обнаружено среди насекомых (у Diptera, Lepidoptera, Coleoptera, Homoptera, Hemiptera, Orthoptera), у ракообразных (Isopoda) и клещей. Второй репродуктивный эффект — феминизация самцов, т.е. смена пола у них. Феминизирующие симбионты — бактерии и некоторые простейшие — найдены у морских и наземных ракообразных (Amphipoda, Isopoda), у клещей и чешуекрылых (Lepidoptera, Insecta). Третий репродуктивный эффект — телитокия — одна из форм партеногенеза, т.е. развитие из неоплодотворенных яиц только самок. Это явление, обусловленное цитоплазматическими бактериями, известно у перепончатокрылых, трипсов, коллембол и клещей. Четвертый репродуктивный эффект, возникающий под воздействием цитоплазматических бактерий, представляет собой андроцид (бессамцовость), т.е. дифференциальную смертность мужских особей. В этом случае взрослое потомство самок, инфицированных цитоплазматическими симбионтами, во-первых, уменьшено вдвое по сравнению с количеством отложенных яиц. Во-вторых, это потомство состоит полностью или преимущественно из особей женского пола, поскольку самцы гибнут на разных стадиях преимагинального развития.
Коэволюция бактерий и насекомых происходит сотни миллионов лет. Например, симбиоз тлей и бактерий, снабжающих этих насекомых аминокислотами, начал формироваться 200–250 миллионов лет тому назад (Громов, 1998; Braendle et al., 2003). Давно известна облигатность симбиоза цикадовых, термитов, тараканов и некоторых групп бактерий (Громов, 1998). Наряду с этим хорошо известно, что облигатными кишечными симбионтами термитов, тараканов и жвачных копытных являются простейшие-жгутиконосцы, участвующие в процессе переваривания клетчатки (Догель, 1975).
Возрастает понимание важной роли симбионтной микрофлоры человека. В этой связи сформировалось особое научное направление — микроэкология, в рамках которого изучается проблема двойственной роли кишечной микрофлоры человека, в частности механизмы и условия перехода системы «человеческий организм–симбионтная микрофлора» от состояния мутуализма к состоянию взаимной агрессии (антагонизма) под влиянием некоторых внешних факторов (токсиканты, лекарственные вещества и др.) (Домарадский и др., 2002). Исследования в этой области показывают отсутствие четких границ между физиологическим фагоцитозом и патологическим вхождением бактерий-симбионтов в клетки внутриполостного эпителия человека.
Взаимодействуя с организмом животных, симбионты оказывают на него многообразное влияние. Например, в системе «моллюск (хозяин) – трематоды (паразиты)» выработались: 1) иммунологические механизмы защиты хозяев (клеточный и гуморальный ответы); 2) популяционные механизмы устойчивости к воздействиям паразитов (Юрлова и др., 2000). При этом основными реакциями клеточного иммунного механизма являются фагоцитоз и капсулообразование, происходящие с участием гемоцитов. Гуморальные факторы защиты включают агглютинирующую и антибактериальные системы. Агглютинины (лектины) — это гликопротеины, они регистрируются в гемолимфе и на поверхности гемоцитов, способны преципитировать гликоконъюгаты. Важным антибактериальным компонентом гемолимфы моллюсков является фермент лизоцим (мурамидаза), синтез которого может происходить в гемоцитах. Однако в процессе коэволюции моллюсков и трематод последние выработали механизмы минимизации воздействий со стороны иммунной системы хозяина: 1) механизм избегания иммунного ответа хозяина; 2) механизм супрессии и (или) уничтожения иммуннокомпетентных клеток хозяина (Юрлова и др., 2000). В первом случае паразит адсорбирует на своей поверхности молекулы лектинов хозяина или формирует слой клеток, который не распознает иммунная система хозяина (молекулярная мимикрия). Во втором случае паразит ингибирует функционирование определеных звеньев иммунной системы (супрессирует активность гемоцитов, выделяет ферменты, лизирующие эти клетки). Параллельно паразиты модифицируют репродуктивную способность и поведение хозяина. В частности, наблюдается феномен паразитарной кастрации моллюсков, обусловливающий бесплодие и неучастие в размножении значительной части популяции: например, не менее четверти особей в популяции прудовика Lymnaea stagnalis (Юрлова и др., 2000). При этом интенсивнее начинают откладывать яйца крупноразмерные «старые» моллюски, зараженные трематодами, что обычно происходит перед редукцией репродуктивных органов. Указанные нарушения репродуктивной функции моллюсков высвобождают значительные энергетические ресурсы, которые используются паразитами. В свою очередь, хозяева вырабатывают компенсаторные «антипаразитарные» механизмы. Например, уменьшение доли моллюсков, участвующих в размножении, компенсируется увеличением плодовитости незараженных особей, ростом репродуктивной активности зараженных размножающихся моллюсков перед их элиминацией. Параллельно паразиты изменяют поведение (активность) и обусловливают ряд экологических особенностей зараженных особей. В частности, бентосные формы моллюсков, зараженных трематодами, медленнее зарываются в грунт, а чаще всего вообще не погружаются в ил и остаются на его поверхности (прежде всего, это свойственно самым крупным формам), где становятся легкодоступными для окончательных хозяев трематод — водоплавающих птиц (Юрлова и др., 2000).
Изменение поведения хозяев под влиянием паразитических червей известно и для других групп животных. Как правило, такие черви (нематоды, трематоды, цестоды) повреждают мышечную или нервную ткань промежуточных хозяев (позвоночных и беспозвоночных животных), что в определенной степени парализует их активность и делает более доступными для окончательных хозяев. Однако ряд видов колючеголовых червей, или скребней (Acanthocephala), модифицируют поведение своих промежуточных хозяев (наземных и водных беспозвоночных), по-видимому, путем воздействий биохимической природы (Мур, 1984).
Таким образом, нетрудно заметить, что особи с модифицированным и исходным поведением попадают под разное давление естественного отбора, что имеет свои эволюционные последствия. Коэволюция симбионтов и их хозяев привела к тому, что в процессе естественного отбора получили преимущество такие взаимоотношения между ними, при которых симбионты, в частности паразиты, изменяют поведение своих хозяев в благоприятную для себя сторону. Модификации в поведении хозяев направлены на реализацию жизненного цикла симбионтов, регулируют не только их численность, но и численность хозяев. Важную роль при этом имеет влияние иммунных механизмов на поведение, ольфакторные, акустические и визуальные сигналы инфицированных особей-хозяев (Мошкин и др., 2003).
Кроме этого, в свете известных физиологических фактов поведение (двигательная активность) животных есть реализация (преимущественно локомоторным аппаратом) программ действий, синтезируемых мозгом на основе информации о внешней среде и всех процессах внутри организма под влиянием наследуемых биологических особенностей (специфика генома) и накопленного организмом индивидуального «опыта» (Савинов, 1987). В результате, тесная связь характеристик двигательных актов (поведения) с параметрами физиологических процессов, чертами организации и экологическими особенностями животных в онто- и филогенезе закономерна. При этом поведение является одной из важнейших фенотипических характеристик животных, по которой происходит их естественный отбор, и выступает в роли фактора эволюции (Панов, 1983; Леонович, 1985).
Другой очень важной чертой коэволюции хозяев и симбионтов является закономерность наличия среди последних облигатных видов (на фоне факультативных) у географически удаленных популяций одного и того же вида хозяев. Так, в организме травяных лягушек в Нижегородской и Ленинградской областях обитают одни и те же комплексы видов нематод (Лебединский, Голубева, 1990). Хотя при этом регистрируются различия в степени восприимчивости к заражению одним и тем же видом нематод лягушек разных фенотипов. Наличие облигатных видов паразитических червей характерно и для ряда видов морских рыб из различных, географически удаленных районов Мирового океана (Парухин, 1976).
В этой связи представляется, что симбиогенез можно рассматривать в качестве эволюционного процесса постепенной интеграции симбионтов и их хозяев. Анализируя рассуждения известного паразитолога-эволюциониста И.А. Рубцова (1980) о симбиогенезе, можно заключить следующее. Во-первых, симбионты, в частности паразиты, на начальных этапах симбиогенеза быстрее эволюционируют в направлении экономии вещества и энергии, а после приобретения комплекса адаптаций, оптимизирующих метаболизм, замедляют темпы филогенеза, и с этих позиций они биологически совершеннее хозяев. Во-вторых, основным направлением симбиогенеза является ослабление патогенности паразитов, сглаживание антагонистическх отношений между ними и хозяином. Этот процесс осуществляется путем сближения антигенных структур, физиологических механизмов партнеров и в целом происходит на биохимической основе. В результате возникает метаболическая взаимозависимость, обмен специфическими веществами между паразитом и хозяином. При этом в ходе симбиогенеза объем метаболитов хозяина, передаваемых паразиту, количественно и качественно возрастает. Напротив, объем метаболитов паразита сокращается (по крайней мере, количественно) до микродоз, имеющих сигнальное значение при управляющих воздействиях на процессы жизнедеятельности хозяина (как у растений при образовании галлов). При этом «парадоксально то, что взаимополезные сигналы, метаболиты, морфофизиологичские приспособления возникают преимущественно из первоначально-защитных механизмов (инкапсуляции, иммунологических, аллергических и т.п.)» (Рубцов, 1980, с. 856).
Продолжается накопление фактов, свидетельствующих в пользу концепции симбиотического происхождения клеточных органелл (например, митохондрий и хлоропластов) (см. Маргелис, 1983), которая получает все большее признание среди биологов. В частности, сообщается о фактах вхождения симбиотических бактерий в клетки (бактериоциты) жаберной и других тканей морских двустворчатых моллюсков и превращении этих бактерий в митохондрии (Кузнецов, Лебкова, 2002).
Таким образом, все вышесказанное представляет собой доказательство того, что симбиогенез является одним из важнейших направлений биологической эволюции. В результате симбиогенеза возникают и эволюционно длительно развиваются новые биосистемы субклеточного, клеточного, органного, организменного и надорганизменного (в частности, популяционного) уровней. В этих биосистемах эндосимбионты прокариотического уровня могут превращаться в полуавтономные подсистемы (например, в митохондрии, хлоропласты), находящиеся под контролем управляющих систем (генома, ЦНС) хозяина. Однако, как правило, интеграция не заходит так далеко и симбионты (прежде всего эукариотического уровня) являются относительно автономными компонентами эукариотического организма-хозяина, оказывая на него управляющее воздействие наряду с управляющими подсистемами (генетической, нервной) данного хозяина. В связи с этим, рациональным было бы формирование особой научной области — симбиологии, в рамках которой рассматривались бы все теоретические и прикладные аспекты симбиоза как системно-сложного, закономерного и эволюционно значимого явления.
Управляющее воздействие паразитов на хозяина отмечено давно, и в свете кибернетики система «паразит — хозяин» была представлена в виде самоуправляемой системы (рис. 1). Это нашло отражение и в нашей блок-схеме биоценоза (рис. 2).

Рис. 1. Блок-схема системы «паразит — хозяин»
(по Milsum, 1967, цит. по Кеннеди, 1978):
1 — управляющие воздействия, 2 — обратная связь от выхода,
3 — внешние факторы
В контексте всего сказанного представляется, что традиционное понятие «популяция» и некоторые концепции экологии могут и должны быть изменены с учетом современных данных о явлениях симбиоза и представлений о самоуправляемых (кибернетических) системах. Поэтому предлагается новая «популяционная парадигма», включающая следующие основные положения.
1. Симбиоз (в разных формах) — фактически облигатный способ существования и эволюции популяций (соответственно, видов) всех живых организмов. В этой связи, элементарной единицей реальной популяции является не просто особь данного вида, а аутоценоз (симбиоценоз), который условно может быть подразделен на эндоценоз (сообщество внутри хозяина) и эктоценоз (сообщество на поверхности тела хозяина).

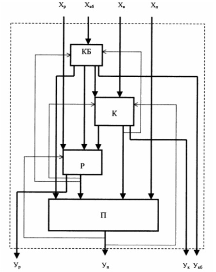
Рис. 2. Блок-схема биоценоза (по Савинову, 2000):
П — продуценты, Р — редуценты, К — консументы, КБ — кобионты (симбионты);
Хр, Хкб, Хк, Хп — входы, Ур, Уп, Ук, Укб — выходы

Рис. 3. Общая кибернетическая схема информационных взаимодействий
(контур регулирования) в самоуправляемой системе аутоценоза («симбионты-хозяин»):
Х1 — входное воздействие на хозяина со стороны внешней (экзогенной) среды,
Х2 — входное воздействие на эндосимбионтов со стороны внутренней (эндогенной)
среды хозяина, Y1 — выход хозяина, Y2 — выход симбионтов (прямая связь
от симбионтов к хозяину), А — обратная связь между хозяином и симбионтами
(положительная или отрицательная, в зависимости от ситуации, складывающейся
в системе). Знак (+) означает, что положительная обратная связь периодически
и на короткое время сменяет отрицательную обратную связь
Аутоценоз представляет собой самоуправляемую систему «особь вида-хозяина — особи видов-симбионтов» (рис. 3, 4). Организация, функционирование и эволюция этой системы осуществляются по кибернетическим принципам, свойственным самоуправляемым системам. В частности, организмы хозяина и его симбионтов иерархически взаимосвязаны (среди последних также должна устанавливаться иерархия) (рис. 4). Симбионты оказывают управляющее воздействие на организм хозяина на основе прямых (от симбионта к хозяину) и обратных (от хозяина к симбионту) связей. Блок симбионтов в сбалансированной системе «хозяин — симбионты» является дополнительным управляющим блоком среди управляющих подсистем хозяина (генетической, нервной и др.). Совокупность симбионтов (значительно уступающая по массе хозяину) вызывает существенные изменения в метаболизме, поведении хозяина и эволюции таксона, к которому он принадлежит. В качестве управляемых подсистем хозяина могут рассматриваться системы органов (или их части), воздействие на которые со стороны симбионта приводит к изменениям обмена веществ, поведения и эволюции вида-хозяина. В процессе коэволюции хозяин и его паразиты могут приобретать одних и тех же мутуалов (рис. 5). Подобное явление характерно для микрофлоры, ассоциированной с пищеварительно-транспортными поверхностями рыб и паразитирующих в них цестод (Извекова, Лаптева, 2004).

Рис. 4. Взаимоотношения симбионтов (мутуалов, эндо- и эктопаразитов)
и хозяина в системе аутоценоза
2. Аутоценоз отличается от биоценоза очень сильными корреляционными связями между видом-хозяином и видами-симбионтами. Благодаря этому обеспечивается высокая целостность системы «аутоценоз» в онто- и филогенезе, максимально проявляющаяся, например, у лишайников. Эти связи являются следствием коадаптации и коэволюции симбионтов и хозяина в разных аспектах (морфологическом, физиологическом, биохимическом, генетическом, этологическом, экологическом).

Рис. 5. Схема эволюции состояний популяционной системы «мутуалы — паразиты —
хозяин» (граница системы обозначена пунктирной линией): А — состояние слабых
взаимодействий между мутуалами и паразитами; Б — состояние общности мутуалов
для хозяина и паразитов: возникновение нового контура регулирования между мутуалами и паразитами. Х1, Х2, Х3 — входы популяционной системы,
Y1, Y2, Y3 — выходы той же системы
3. Каждый аутоценоз сугубо индивидуален, т.е. обладает свойственными только ему особенностями, начиная с молекулярного и кончая симбиотическим уровнями. Популяция является совокупностью аутоценозов, которую можно назвать демоценозом. Таким образом, биологический вид — это совокупность демоценозов, или специоценоз (рис. 6).
Демоценоз и специоценоз также являются самоуправляемыми системами, хотя и гораздо меньшей степени целостности. В иерархиях «аутоценозы — демоценозы — специоценоз» и «аутоценозы — демоценозы — биоценоз» члены последней иерархии наименее интегрированы.
4. В демоценозе (прежде всего, высокоорганизованных животных) могут быть выделены иерархически соподчиненные группы (блоки) аутоценозов, например, аутоценозы самок и самцов, а среди последних — блок-аутоценоз самцов-лидеров, управляющих частью демоценоза — субдемоценозом (рис. 7).
Особенно отчетливо такие самоуправляемые (кибернетические) иерархии блоков-аутоценозов выражены у общественных животных (например, муравьев, пчел, ос, термитов).

Рис. 6. Иерархическая структура биоценоза в соответствии с традиционной (1)
и новой популяционной (симбиотической) парадигмой (2). А, Б, В —
тождественные уровни биоценотической иерархии. Пояснения в тексте
Таким образом, с эколого-кибернетических позиций популяция — это демоценоз, т.е. самоуправляемая симбиотическая система аутоценозов (симбиоценозов), основу которых составляют особи вида-хозяина, коадаптированных и коэволюционирующих с видами-симбионтами про- и эукариотической организации. В этом контексте биологический вид и биоценоз являются самоуправляемыми системами демоценозов.
Новая популяционная (биологическая) парадигма ориентирует теоретическую и прикладную науку на совершенно новый подход к организму и популяции. Этот подход должен найти отражение в теоретической биологии, эволюционном учении, экологии, экологическом мониторинге, агроэкологии, медицине и других областях.

Рис. 7. Варианты блок-схем идеальной (абстрактной) (А) и реальной (Б) популяций.
А — иерархическая структура популяции ящериц сем. Agamidae (по Полыновой, 1990);
Б — то же, но в соответствии с парадигмой, предлагаемой автором данной статьи.
В последнем случае популяция представлена в виде самоуправляемой симбиотической системы (демоценоза), где X1–X9 — входы, Y1–Y9 — выходы элементов данной системы
В частности, учет симбиотического фактора должен, наконец, дополнить эволюционное учение диалектической альтернативой борьбы за существование, помочь в выяснении явлений вымирания групп организмов (возможная эпидемиологическая роль симбиоза, прежде всего — паразитизма). Несомненно, немалую роль в поддержании эволюционной стабильности популяций и видов имеет характер процессов в самоуправляемых системах ауто-, демо- и специоценозов. Только учитывая роль симбиоза (мутуализма, паразитизма), можно объективно изучать генетические, биохимические, физиологические, экологические и этологические аспекты жизнедеятельности организмов, в том числе и человека, что непременно должно найти отражение в разных областях медицины.
ЛИТЕРАТУРА
Алексеев А.Н. Концептуальный подход к феномену антагонистических и синергетических взаимодействий в многокомпонентных паразитарных системах // Докл. РАН. 2001. Т. 379. № 6. С. 827–829.
Астафьев Б.А., Петров О.Е. Эволюционно-генетическая теория паразитизма // Успехи соврем. биологии.1992. Т. 112. Вып. 2. С. 163–175.
Биологический энциклопедический словарь. М.: Сов. энциклопедия, 1986. 831 с.
Гаевский Н.А., Колмаков В.И., Дубовская О.П., Климова Е.П. Взаимоотношения эпибионтных микроводорослей и рачкового зоопланктона в условиях «цветущего» эвтрофного водоема // Экология. 2004. № 1. С. 43–50.
Горячева И.И. Бактерии рода Wolbachia — репродуктивные паразиты членистоногих // Успехи соврем. биологии. 2004. Т. 124. № 3. С. 246–259.
Грант В. Эволюционный процесс. Критический обзор эволюционной теории. М.: Мир, 1991. 488 с.
Громов Б.В. Эндоцитобионты клеток животных // Сорос. образоват. журн. 1998. № 2. С. 73–78.
Давиташвили Л.Ш. Учение об эволюционном прогрессе (теория ароморфоза). Тбилиси: Мецниереба, 1972. 324 с.
Догель В.А. Зоология беспозвоночных. М.: Высш. школа, 1975. 560 с.
Домарадский И.В., Хохоев Т.Х., Кондракова О.А., Дубинин А.В., Вострухов С.В., Бабин В.Н. Противоречивая микроэкология // Рос. хим. ж. (Ж. Рос. хим. об-ва им. Д.И. Менделеева). 2002. Т. 44. № 3. С. 80–89.
Извекова Г.И., Лаптева Н.А. Микрофлора, ассоциированная с пищеварительно-транспортными поверхностями рыб и паразитирующих в них цестод // Экология. 2004. № 3. С. 205–209.
Карпунина Л.В., Мельникова У.Ю., Коннова С.А., Стадник Г.И. Изучение биологической роли лектинов Bacillus polymyxa при взаимодействии с углеводами фракции экзокомпонентов корней пшенницы // Изв. РАН. Сер. биол. 2003. № 3. С. 311–314.
Кеннеди К. Экологическая паразитология. М.: Мир, 1978. 230 с.
Краснощеков Г.П. Паразитизм: критерии и экологический статус // Успехи соврем. биологии. 2000. Т. 120. № 3. С. 253–264.
Кузнецов А.П., Лебкова Н.П. О бактериальном происхождении митохондрий эукариот в свете современных представлений об эволюции органического мира // Изв. АН. Сер. биол. 2002. № 4. С. 501–507.
Кузовкина И.Н., Альтерман И.Е., Карандашов В.Е. Генетически трансформированные корни растений как модель изучения специфики метаболизма и симбиотических контактов корневой системы // Изв. РАН. Сер. биол. 2004. № 3. С. 310–318.
Лебединский А.А., Голубева Т.Б. Полиморфизм и нематодная инвазия травяных лягушек в условиях антропогенного воздействия // Эколого-генетические исследования устойчивости и продуктивноси популяций. Н.Новгород: Изд-во ННГУ, 1990. С. 4–12.
Леонович В. Поведение и его роль в эволюции // Журн. общ. биол. 1985. Т. 46. № 6. С. 753–759.
Маргелис Л. Роль симбиоза в эволюции клетки. М.: Мир, 1983. 352 с.
Мироненко Н.В. Современные достижения в изучении генетической структуры популяций фитопатогенных грибов // Успехи соврем. биологии. 2004. Т. 124. № 3. С. 234–245.
Мошкин М.П., Герлинская Л.А., Евсиков В.И. Иммунная система и реализация поведенческих стратегий размножения при паразитарных прессах // Журн. общ. биол. 2003. Т. 64. № 1. С. 23–44.
Мур Д. Паразиты, которые изменяют поведение своего хозяина // В мире науки. 1984. № 7. С. 48–55.
Одум Ю. Основы экологии. М.: Мир, 1975. 740 с.
Панов Е.Н. Поведение как фактор эволюции // Развитие эволюционной теории в СССР (1917–1970-е годы). Л.: Наука, 1983. С. 164–174.
Парухин А.М. Паразитические черви промысловых рыб южных морей. Киев: Наук. думка, 1976. 184 с.
Полынова Г.В. Функциональная роль иерархической системы отношений в популяциях ящериц (Reptilia : Sauria) // Журн. общ. биологии. 1990. Т. 51. № 3. С. 338–352.
Проценко М.А. Эволюция взаимоотношений фитопатогенного гриба и клетки растения-хозяина // Успехи. соврем. биологии. 1988. Т. 105. Вып. 1. С. 145–153.
Рябченко А.С., Сережкина Г.В., Мишина Г.Н., Андреев Л.Н. Морфологическая изменчивость возбудителя мучнистой росы пшеницы в связи с его паразитической адаптацией к различным по устойчивости пшенично-эгилопсным линиям // Изв. РАН. Сер. биол. 2003. № 3. С. 315–321.
Росс Г., Росс Ч., Росс Д. Энтомология. М.: Мир, 1985. 576 с.
Рубцов И.А. Симбиогенез энтомогельминтов двукрылых и блох // Журн. общ. биол. 1980. Т. 41. № 6. С. 845–859.
Савинов А.Б. Сравнительно-морфологический анализ скелетно-мышечной системы груди цикадовых в связи с вопросами их филогении. Автореф. дис. ... канд. биол. наук. Киев: Ин-т зоологии АН УССР, 1987. 25 с.
Савинов А.Б. Методология системно-кибернетического подхода в экологическом мониторинге // Экологический мониторинг. Методы биологического и физико-химического мониторинга. Ч. 4. Н.Новгород: Изд-во ННГУ, 2000. С. 342–366.
Снакин В.В. Экология и охрана природы. Словарь-справочник. М.: Academia, 2000. 384 с.
Сотченков Д.В., Голденкова И.В. Антимикробные белки и пептиды, участвующие в защите растений от грибных и бактериальных патогенов // Успехи соврем. биологии. 2003. Т. 123. № 4. С. 323–335.
Телитченко М.М., Остроумов С.А. Введение в проблемы биохимической экологии. Биотехнология, сельское хозяйство, охрана среды. М.: Наука, 1990. 288 с.
Юрлова Н.И., Водяницкая С.Н., Глупов В.В. Анализ взаимоотношений в системе паразит-хозяин (на примере моллюсков и трематод) // Успехи соврем. биологии. 2000. Т. 120. № 6. С.573–580.
Яблоков А.В., Юсуфов А.Г. Эволюционное учение. М.: Высш. шк., 2004. 310 с.
Begon M., Harper J.L., Townsend C.R. Okologie. Individuen, Populationen und Lebensgemeinschaften. Basel: Birkhauser Verlag, 1991. 1024 p.
Braendle C., Miura T., Bickel R., Shingleton A.W., Kambhampati S., Stern D.L. Developmental origin and evolution of bacteriocytes in the aphid-Buchnera symbiosis // PloS Biology. 2003. V. 1. № 1. P. 70–76.
Engebretson H., Muller-Parker G. Translocation of photosynthetic carbon from two algal symbionts to the sea anemone Anthopleura ellegantissima // Biol. Bull.1999. V. 197. № 1. P. 72–81.
Farmer M.A., Fitt W.K., Trench R.K. Morphology of the symbiosis between Corculum cardissa (Mollusca: Bivalvia) and Symbiodinium corculorum (Dinophyceae) // Biol. Bull.2001. V.200. № 3. P. 336–343.
Fitt W.K. Cellular growth of host and symbiont in a cnidarian-zooxanthellar symbiosis // Biol. Bull. 2000. V. 198. № 1. P. 110–120.
Futuyma D.J. Evolutionsbiologie. Basel: Birkhauser Verlag, 1990. 679 p.
Kaufman M.R., Ikeda Y., Patton C., Van Dykhuizen G., Epel D. Bacterial symbionts colonize the accessory nidamental gland of the squid Loligo opalescens via horizontal transmission // Biol. Bull.1998. V. 194. № 1. P. 36–43.
Schwarz J.A., Krupp D.A., Weis V.M. Late larval development and onset of symbiosis in the scleractinian coral Fungia sentaria // Biol. Bull.1999. V. 196. № 1. P. 70–79.
WindofferR., Giere O. Symbiosis of the hydrothermal vent gastropod Ifremeria nautilei (Provannidae) with endobacteria — structural analyses and ecological considerations // Biol. Bull.1997. V. 193. № 3. P. 381–392.